您好,歡迎光臨帝國科技!
產品分類
PRODUCT
PRODUCT
- 國產晶振
- 聲表面濾波器
- 石英晶體
- 石英晶振
- 貼片晶振
- 陶瓷晶振
- 陶瓷濾波器
- 陶瓷霧化片
- 進口晶振
- MERCURY晶振
- Fujicom晶振
- 日本大真空晶振
- 愛普生晶振
- 西鐵城晶振
- 精工晶振
- 村田陶瓷晶振
- 日本京瓷晶振
- 日本進口NDK晶體
- 大河晶振
- TXC晶振
- 亞陶晶振
- 臺灣泰藝晶體
- 臺灣鴻星晶體
- 美國CTS晶體
- 微孔霧化片
- 加高晶振
- 希華石英晶振
- AKER晶振
- NAKA晶振
- SMI晶振
- NJR晶振
- NKG晶振
- Sunny晶振
- 歐美晶振
- Abracon晶振
- ECS晶振
- Golledge晶振
- IDT晶振
- Jauch晶振
- Pletronics晶振
- Raltron晶振
- SiTime晶振
- Statek晶振
- Greenray晶振
- 康納溫菲爾德晶振
- Ecliptek晶振
- Rakon晶振
- Vectron晶振
- 微晶晶振
- AEK晶振
- AEL晶振
- Cardinal晶振
- Crystek晶振
- Euroquartz晶振
- FOX晶振
- Frequency晶振
- GEYER晶振
- KVG晶振
- ILSI晶振
- MMDCOMP晶振
- MtronPTI晶振
- QANTEK晶振
- QuartzCom晶振
- Quarztechnik晶振
- Suntsu晶振
- Transko晶振
- Wi2Wi晶振
- ACT晶振
- MTI晶振
- Lihom晶振
- Rubyquartz晶振
- Oscilent晶振
- SHINSUNG晶振
- ITTI晶振
- PDI晶振
- ARGO晶振
- IQD晶振
- Microchip晶振
- Silicon晶振
- Fortiming晶振
- CORE晶振
- NIPPON晶振
- NICKC晶振
- QVS晶振
- Bomar晶振
- Bliley晶振
- GED晶振
- FILTRONETICS晶振
- STD晶振
- Q-Tech晶振
- Anderson晶振
- Wenzel晶振
- NEL晶振
- EM晶振
- PETERMANN晶振
- FCD-Tech晶振
- HEC晶振
- FMI晶振
- Macrobizes晶振
- AXTAL晶振
- DEI晶振
帝國博客
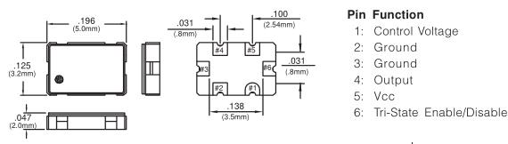
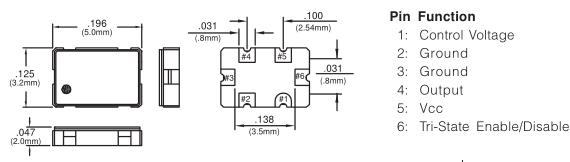
更多>>- 規格型號:56710719
- 頻率:2~52MHZ
- 尺寸:5.0*3.2mm
- 產品描述:ConnorWinfield晶振,V7125晶振,V7125-020.0M晶振,5032mm體積的石英晶體振蕩器,有源晶振,該產品可驅動2.5V的溫補晶振,壓控晶振,VC-TCXO晶體振蕩器產品,電源電壓的低電耗型,編帶包裝方式,可對應自動高速貼片機自動焊接,...
ConnorWinfield晶振,V7125晶振,V7125-020.0M晶振
.jpg)
ConnorWinfield晶振,V7125晶振,V7125-020.0M晶振,5032mm體積的石英晶體振蕩器,有源晶振,該產品可驅動2.5V的溫補晶振,壓控晶振,VC-TCXO晶體振蕩器產品,電源電壓的低電耗型,編帶包裝方式,可對應自動高速貼片機自動焊接,及IR回流焊接(無鉛對應),為無鉛產品,超小型,質地輕.產品被廣泛應用到集成電路,程控交換系統,無線發射基站.
Connor-winfield晶振公司憑借其50多年的歷史以及豐富的生產經驗和技術服務,不斷的更新創造更具有價值的頻率控制產品。提供系列高精度,高頻率,高性能,小體積,高溫度,低抖動等石英晶體振蕩器產品。盡管引及了競爭性諧振器技術,但與目前可用的任何其它頻率控制技術相比,基于石英的振蕩器在長期和短期穩定性精度以及低抖動和低相位噪聲信號生成方面繼續提供最高水平的性能。
Connor-winfield晶振系列的TCXO溫度補償晶體振蕩器具有卓越的性能,出色的一致性和穩定的長期特性,使得其成為要求苛刻的通信,數據通信和電信應用中成為首選。所有的推薦封裝類產品都具有正弦波和HCMOS輸出,并且商用到擴展或工業溫度范圍。康納溫菲爾德(Connor Winfield)已經設計出具有低相位噪聲和低抖動的高穩定性和可靠性的OCXO振蕩器。康納溫菲爾德晶振在美國成立,專注于研發生產石英晶體諧振器,石英晶體振蕩器,有源晶振等頻率元件.ConnorWinfield晶振,V7125晶振,V7125-020.0M晶振.


.jpg)

存儲事項(1) 在更高或更低溫度或高濕度環境下長時間保存晶體產品時,會影響頻率穩定性或焊接性。請在正常溫度和濕度環境下保存這些晶體產品,并在開封后盡可能進行安裝,以免長期儲藏。
正常溫度和濕度:
溫度:+15°C 至 +35°C,濕度 25 % RH 至 85 % RH(請參閱“測試點JIS C 60068-1 / IEC 60068-1的標準條件”章節內容)。
(2) 請仔細處理內外盒與卷帶。外部壓力會導致卷帶受到損壞。
安裝時注意事項
耐焊性
加熱包裝材料至+150°C以上會破壞產品特性或損害產品。如需在+150°C以上焊接晶體產品,建議使用SMD產品。在下列回流條件下,對晶體產品甚至SMD產品使用更高溫度,會破壞產品特性。建議使用下列配置情況的回流條件。安裝這些產品之前,應檢查焊接溫度和時間。同時,在安裝條件更改的情況下,請再次進行檢查。如果需要焊接的石英晶體產品在下列配置條件下進行焊接,請聯系我們以獲取耐熱的相關信息。
(1)柱面式產品和DIP產品
型號 焊接條件
[ 柱面式 音叉晶振]
C-類型,C-2-類型,C-4-類型 +280°C或低于@最大值5 s
請勿加熱封裝材料超過+150°C
[ 柱面式 ]
CA-301
[ DIP ]
SG-51 / 531, SG-8002DB DC,
RTC-72421 / 7301DG +260°C或低于@最大值 10 s
請勿加熱封裝材料超過+150°C
(2)SMD晶振產品回流焊接條件(實例)
用于JEDEC J-STD-020D.01回流條件的耐熱可用性需個別判斷。請聯系我們以便獲取相關信息。ConnorWinfield晶振,V7125晶振,V7125-020.0M晶振.
.


深圳市帝國科技有限公司
SHENZHEN DIGUO TECHONLOGY CO.,LTD
手 機:86-13826527865
電 話:86-0755-27881119 QQ:921977998
E-mail:dgkjly@163.com
網 址:www.9x9kj.com
地 址:中國廣東省深圳市寶安區西鄉大道新湖路










業務經理