您好,歡迎光臨帝國科技!
產品分類
PRODUCT
PRODUCT
- 國產晶振
- 聲表面濾波器
- 石英晶體
- 石英晶振
- 貼片晶振
- 陶瓷晶振
- 陶瓷濾波器
- 陶瓷霧化片
- 進口晶振
- MERCURY晶振
- Fujicom晶振
- 日本大真空晶振
- 愛普生晶振
- 西鐵城晶振
- 精工晶振
- 村田陶瓷晶振
- 日本京瓷晶振
- 日本進口NDK晶體
- 大河晶振
- TXC晶振
- 亞陶晶振
- 臺灣泰藝晶體
- 臺灣鴻星晶體
- 美國CTS晶體
- 微孔霧化片
- 加高晶振
- 希華石英晶振
- AKER晶振
- NAKA晶振
- SMI晶振
- NJR晶振
- NKG晶振
- Sunny晶振
- 歐美晶振
- Abracon晶振
- ECS晶振
- Golledge晶振
- IDT晶振
- Jauch晶振
- Pletronics晶振
- Raltron晶振
- SiTime晶振
- Statek晶振
- Greenray晶振
- 康納溫菲爾德晶振
- Ecliptek晶振
- Rakon晶振
- Vectron晶振
- 微晶晶振
- AEK晶振
- AEL晶振
- Cardinal晶振
- Crystek晶振
- Euroquartz晶振
- FOX晶振
- Frequency晶振
- GEYER晶振
- KVG晶振
- ILSI晶振
- MMDCOMP晶振
- MtronPTI晶振
- QANTEK晶振
- QuartzCom晶振
- Quarztechnik晶振
- Suntsu晶振
- Transko晶振
- Wi2Wi晶振
- ACT晶振
- MTI晶振
- Lihom晶振
- Rubyquartz晶振
- Oscilent晶振
- SHINSUNG晶振
- ITTI晶振
- PDI晶振
- ARGO晶振
- IQD晶振
- Microchip晶振
- Silicon晶振
- Fortiming晶振
- CORE晶振
- NIPPON晶振
- NICKC晶振
- QVS晶振
- Bomar晶振
- Bliley晶振
- GED晶振
- FILTRONETICS晶振
- STD晶振
- Q-Tech晶振
- Anderson晶振
- Wenzel晶振
- NEL晶振
- EM晶振
- PETERMANN晶振
- FCD-Tech晶振
- HEC晶振
- FMI晶振
- Macrobizes晶振
- AXTAL晶振
- DEI晶振
帝國博客
更多>>- 規格型號:44332304
- 頻率:750~800MHZ
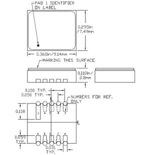
- 尺寸:9.14*7.49mm
- 產品描述:Greenray晶振,T1215晶振,T1215-T57-PE-3.3-SD-X-300.0MHz晶振,溫補晶振(TCXO)產品本身具有溫度補償作用,高低溫度穩定性:頻率精度高0.5PPM-2.0PPM,工作溫度范圍:-30度至85度,電源電壓:1.8V-3.3V之間可供選擇,產品本身具...
Greenray晶振,T1215晶振,T1215-T57-PE-3.3-SD-X-300.0MHz晶振
.jpg)
Greenray晶振,T1215晶振,T1215-T57-PE-3.3-SD-X-300.0MHz晶振,溫補晶振(TCXO)產品本身具有溫度補償作用,高低溫度穩定性:頻率精度高0.5PPM-2.0PPM,工作溫度范圍:-30度至85度,電源電壓:1.8V-3.3V之間可供選擇,產品本身具有溫度電壓控制功能,世界上最薄的晶振封裝,頻率:26兆赫,33.6兆赫,38.4兆赫,40兆赫,因產品性能穩定,精度高等優勢,被廣泛應用到一些比較高端的數碼通訊產品領域,GPS全球定位系統,智能手機,WiMAX和蜂窩和無線通信等產品,符合RoHS/無鉛.Greenray格林雷工業生產貼片晶體振蕩器,有源晶振,SMT、thru - hole、混合和定制產品.所生產的石英晶體振蕩器根據性能可以分為:普通晶體振蕩器(SPXO)、壓控晶體振蕩器(VCXO)、溫補晶體振蕩器(TCXO)、恒溫晶體振蕩器(OCXO)等.
Greenray格林雷晶振集團致力于研發生產高精密,性能穩定的石英晶體振蕩器,滿足不同客戶的特殊要求,并且具有低噪音,低相位等特點.Greenray格林雷有源晶振,壓控振蕩器,(PXO)普通晶體振蕩器,(TCXO)溫補晶體振蕩器,(OCXO)恒溫晶體振蕩器等在產品中使用具備優異的振動性,耐沖擊等特性.Greenray格林雷還為廣大用戶提供具有良好可靠性,在產品中使用性能穩定強的自校準振蕩器,石英晶體振蕩器.
Greenray晶振生產的產品廣泛應用于航空航天,網絡通訊,GPS定位,汽車電子等領域,為現代的科技做出了巨大的貢獻,格林雷晶振在美國晶振行業中處于領先的地位,以技術占領市場.Greenray晶振,T1215晶振,T1215-T57-PE-3.3-SD-X-300.0MHz晶振.

| Frequency | 50.0 MHz to 100.0 MHz | ||
| Output | Sinewave | ||
| Output Level | +3dBm ±2dBm into a 50 ohm load | ||
| Temp Stability | Temp Range | Tolerance | Option |
| -40 to +85°C | ±0.5 ppM | T57 | |
| -40 to +85°C | ±1.0 ppM | T16 | |
| -55°C to +95°C | ±3.0 ppM | V36 | |
| Voltage Stability | ±0.1ppM for a ±5% change | ||
| Load Stability | ±0.1ppM for a ±5% change | ||
| Aging | <1 ppM/yr | ||
| Total Stability | ±5ppM max from nominal over 10 years (includes temp, voltage, load, & aging) | ||
|
Phase Noise (typ at 100MHz) |
Offset | static | dBc/Hz |
| 10 Hz | -75 | ||
| 100 Hz | -102 | ||
| 1 Hz | -125 | ||
| 10 Hz | -140 | ||
| 100 Hz | -145 | ||
| G-Sensitivity | < 7x10 -10 /g | ||
| Freq Adjust | ±7ppM typ, 0 to +5.0V EFC | ||
| Supply Voltage | +5.0 VDC | ||
| Supply Current | < 25mA | ||
| Frequency Adjust |
±6.0 ppM typical, positive slope, 0V to Vsupply EFC |
||
| Environmental | |||
| Vibration – per MIL-STD-202F, Meth 214,Cond II H, 3 min/axis | |||
| Shock – per MIL-STD-202F, Meth 213,90g’s pk, ½ sine, 5ms | |||
| Storage Temp -55 to +105°C | |||
正常溫度和濕度:
溫度:+15°C 至 +35°C,濕度 25 % RH 至 85 % RH(請參閱“測試點JIS C 60068-1 / IEC 60068-1的標準條件”章節內容)。
(2) 請仔細處理內外盒與卷帶。外部壓力會導致卷帶受到損壞。
安裝時注意事項
耐焊性
加熱包裝材料至+150°C以上會破壞產品特性或損害產品。如需在+150°C以上焊接晶體產品,建議使用SMD產品。在下列回流條件下,對晶體產品甚至SMD產品使用更高溫度,會破壞產品特性。建議使用下列配置情況的回流條件。安裝這些產品之前,應檢查焊接溫度和時間。同時,在安裝條件更改的情況下,請再次進行檢查。如果需要焊接的石英晶體產品在下列配置條件下進行焊接,請聯系我們以獲取耐熱的相關信息。
(1)柱面式產品和DIP產品
型號 焊接條件
[ 柱面式 音叉晶振]
C-類型,C-2-類型,C-4-類型 +280°C或低于@最大值5 s
請勿加熱封裝材料超過+150°C
[ 柱面式 ]
CA-301
[ DIP ]
SG-51 / 531, SG-8002DB DC,
RTC-72421 / 7301DG +260°C或低于@最大值 10 s
請勿加熱封裝材料超過+150°C
(2)SMD晶振產品回流焊接條件(實例)
用于JEDEC J-STD-020D.01回流條件的耐熱可用性需個別判斷。請聯系我們以便獲取相關信息。
盡可能使溫度變化曲線保持平滑。Greenray晶振,T1215晶振,T1215-T57-PE-3.3-SD-X-300.0MHz晶振.
深圳市帝國科技有限公司
SHENZHEN DIGUO TECHONLOGY CO.,LTD
手 機:86-13826527865
電 話:86-0755-27881119 QQ:921977998
E-mail:dgkjly@163.com
網 址:www.9x9kj.com
地 址:中國廣東省深圳市寶安區西鄉大道新湖路




.jpg)




業務經理