您好,歡迎光臨帝國科技!
產品分類
PRODUCT
PRODUCT
- 國產晶振
- 聲表面濾波器
- 石英晶體
- 石英晶振
- 貼片晶振
- 陶瓷晶振
- 陶瓷濾波器
- 陶瓷霧化片
- 進口晶振
- MERCURY晶振
- Fujicom晶振
- 日本大真空晶振
- 愛普生晶振
- 西鐵城晶振
- 精工晶振
- 村田陶瓷晶振
- 日本京瓷晶振
- 日本進口NDK晶體
- 大河晶振
- TXC晶振
- 亞陶晶振
- 臺灣泰藝晶體
- 臺灣鴻星晶體
- 美國CTS晶體
- 微孔霧化片
- 加高晶振
- 希華石英晶振
- AKER晶振
- NAKA晶振
- SMI晶振
- NJR晶振
- NKG晶振
- Sunny晶振
- 歐美晶振
- Abracon晶振
- ECS晶振
- Golledge晶振
- IDT晶振
- Jauch晶振
- Pletronics晶振
- Raltron晶振
- SiTime晶振
- Statek晶振
- Greenray晶振
- 康納溫菲爾德晶振
- Ecliptek晶振
- Rakon晶振
- Vectron晶振
- 微晶晶振
- AEK晶振
- AEL晶振
- Cardinal晶振
- Crystek晶振
- Euroquartz晶振
- FOX晶振
- Frequency晶振
- GEYER晶振
- KVG晶振
- ILSI晶振
- MMDCOMP晶振
- MtronPTI晶振
- QANTEK晶振
- QuartzCom晶振
- Quarztechnik晶振
- Suntsu晶振
- Transko晶振
- Wi2Wi晶振
- ACT晶振
- MTI晶振
- Lihom晶振
- Rubyquartz晶振
- Oscilent晶振
- SHINSUNG晶振
- ITTI晶振
- PDI晶振
- ARGO晶振
- IQD晶振
- Microchip晶振
- Silicon晶振
- Fortiming晶振
- CORE晶振
- NIPPON晶振
- NICKC晶振
- QVS晶振
- Bomar晶振
- Bliley晶振
- GED晶振
- FILTRONETICS晶振
- STD晶振
- Q-Tech晶振
- Anderson晶振
- Wenzel晶振
- NEL晶振
- EM晶振
- PETERMANN晶振
- FCD-Tech晶振
- HEC晶振
- FMI晶振
- Macrobizes晶振
- AXTAL晶振
- DEI晶振
帝國博客
更多>>- 規格型號:80650985
- 頻率:1680M-2200MHZ
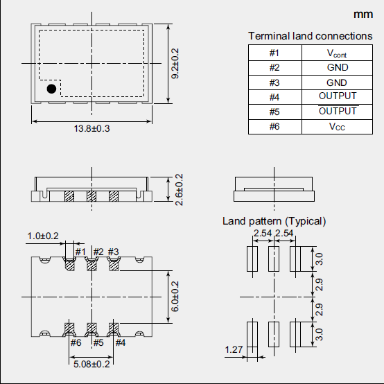
- 尺寸:13.8*9.2mm
- 產品描述:貼片有源石英晶振是指在普通無源晶體上增加了電壓,內部集成了相應IC與電容電阻,需要在凈化萬級車間生產,并且在密封機器設備中焊接加蓋,內部封裝模式是指在真空封裝區域內進行封裝。1.防止外界氣體進入組件體內受到...
NDK晶振,有源晶振,NY13M09WA晶振,電壓聲表面波振蕩器
.jpg)
NDK晶振,有源晶振,NY13M09WA晶振,電壓聲表面波振蕩器日本電波工業株式會社作為晶體元器件的專業生產廠家,以“通過對客戶的服務,為社會繁榮和世界和平作出貢獻”的創業理念為基礎于1948年成立。
現在我們作為提供電子業必不可少的,在豐富用途被廣泛使用的晶體元器件產品以及應用。
晶振技術的傳感器等新的高附加價值產品的頻率綜合生產廠家,正以企業的繼續成長為目標而努力。
現在我們作為提供電子業必不可少的,在豐富用途被廣泛使用的晶體元器件產品以及應用。
晶振技術的傳感器等新的高附加價值產品的頻率綜合生產廠家,正以企業的繼續成長為目標而努力。

| 晶振規格參數 | NY13M09WA |
| 額定頻率范圍 (MHz) | 1680 to 2200 |
| 電源電壓 (V) | +1.8±5% +2.5±5% +3.3 ± 10 % |
| 負載阻抗 | 10 kΩ//10 pF |
| 工作溫度范圍(*2) / 儲存溫度范圍 (°C) | -10 to +85 / -40 to +85 |
| 消耗電流 (mA) | Max. 1.5 |
| 輸出電壓 | Min. 0.8 V(p-p) (DC Coupling (*3)) |
| 頻率溫度特性 | Max. ±2.5×10-6 |
| 電源電壓變動的頻率特性 | Max. ±0.3×10-6 / +3.0 V ±5 % |
| 負載變動的頻率特性 | Max. ±0.2×10-6/(10 kΩ//10 pF)±10% |
| 老化率 | Max. ±1.0 ×10-6/year |
| 頻率可變范圍 | ±9.0×10-6 to ±15.0×10-6 / +1.5±1 V (*4) |



.jpg)
陶瓷包裝產品
NDK晶振,有源晶振,NY13M09WA晶振,電壓聲表面波振蕩器在一個不同擴張系數電路板(環氧玻璃)上焊接陶瓷封裝石英晶體產品時,在溫度長時間重復變化時可能導致端子焊接部分發生斷裂,請事先檢查焊接特性。
(2)陶瓷封裝產品
在一個不同擴張系數電路板(環氧玻璃)上焊接陶瓷封裝產品時,在溫度長時間重復變化時可能導致端子焊接部分發生斷裂,請事先檢查焊接特性。
(3)柱面式產品
石英晶振產品的玻璃部分直接彎曲引腳或用力拉伸引腳會導致在引腳根部發生密封玻璃分裂(開裂),也可能導致氣密性和產品特性受到破壞。當晶體產品的引腳需彎曲成下圖所示形狀時,應在這種場景下留出0.5mm的引腳并將其托住,以免發生分裂。當該引腳需修復時,請勿拉伸,托住彎曲部分進行修正。在該密封部分上施加一定壓力,會導致氣密性受到損壞。所以在此處請不要施加壓力。另外,為避負機器共振造成引腳疲勞切斷,建議用粘著劑將產品固在定電路板上。
NDK晶振,有源晶振,NY13M09WA晶振,電壓聲表面波振蕩器在一個不同擴張系數電路板(環氧玻璃)上焊接陶瓷封裝石英晶體產品時,在溫度長時間重復變化時可能導致端子焊接部分發生斷裂,請事先檢查焊接特性。
(2)陶瓷封裝產品
在一個不同擴張系數電路板(環氧玻璃)上焊接陶瓷封裝產品時,在溫度長時間重復變化時可能導致端子焊接部分發生斷裂,請事先檢查焊接特性。
(3)柱面式產品
石英晶振產品的玻璃部分直接彎曲引腳或用力拉伸引腳會導致在引腳根部發生密封玻璃分裂(開裂),也可能導致氣密性和產品特性受到破壞。當晶體產品的引腳需彎曲成下圖所示形狀時,應在這種場景下留出0.5mm的引腳并將其托住,以免發生分裂。當該引腳需修復時,請勿拉伸,托住彎曲部分進行修正。在該密封部分上施加一定壓力,會導致氣密性受到損壞。所以在此處請不要施加壓力。另外,為避負機器共振造成引腳疲勞切斷,建議用粘著劑將產品固在定電路板上。

NDK晶振集團所處于的事業環境是智能手機市場的擴大已在延緩,但伴隨著LTE的普及和要求比以往更高的GPS精度等帶來的搭載部件的構成的變化,使得TCXO(溫度補償晶體振蕩器)和SAW(彈性表面波)器件的需要在急速增加。由此,本集團將方針轉換 至面向量產市場的產品的再強化上,把均衡縮減戰略切換成成長戰略。并且展開在NDK晶振,有源貼片晶振,NY13M09WA晶振,電壓聲表面波振蕩器產業設備、車載、傳感器領域,利用高的品質力和技術力用實力強的產品創造出利益的中期銷售計劃。通過贏得客戶 的高評價和高信賴來確保持續的成長和安定的收益,來努力達成銷售額500億日元企業的復活的目標。.jpg)
致力于環境保護,包括預防污染。在石英晶振晶體產品的規劃到制造、運行維修等整個過程中,努力提供環保型的產品和服務。在業務活動中,努力節約資源并節省能源,致力于減少廢棄物和再生資源的回收利用。在積極公開有關環境的信息的同時,通過支持環?;顒樱瑥V泛地為社會作貢獻。致力于保護生物多樣性和可持續利用。切實運行環境管理系統PDmCA(Plan-Do-multiple Check-Act),NDK晶振,有源晶振,NY13M09WA晶振,電壓聲表面波振蕩器努力提高環境性能,不斷改善運用系統。
SHENZHEN DIGUO TECHONLOGY CO.,LTD
聯系人:譚蘭艾
手 機:86-13826527865
電 話:86-0755-27881119
Q Q:921977998
E-mail:dgkjly@163.com
網 址:www.9x9kj.com
地 址:中國廣東省深圳市寶安區西鄉大道新湖路
聯系人:譚蘭艾
手 機:86-13826527865
電 話:86-0755-27881119
Q Q:921977998
E-mail:dgkjly@163.com
網 址:www.9x9kj.com
地 址:中國廣東省深圳市寶安區西鄉大道新湖路







業務經理