您好,歡迎光臨帝國科技!
產品分類
PRODUCT
PRODUCT
- 國產晶振
- 聲表面濾波器
- 石英晶體
- 石英晶振
- 貼片晶振
- 陶瓷晶振
- 陶瓷濾波器
- 陶瓷霧化片
- 進口晶振
- MERCURY晶振
- Fujicom晶振
- 日本大真空晶振
- 愛普生晶振
- 西鐵城晶振
- 精工晶振
- 村田陶瓷晶振
- 日本京瓷晶振
- 日本進口NDK晶體
- 大河晶振
- TXC晶振
- 亞陶晶振
- 臺灣泰藝晶體
- 臺灣鴻星晶體
- 美國CTS晶體
- 微孔霧化片
- 加高晶振
- 希華石英晶振
- AKER晶振
- NAKA晶振
- SMI晶振
- NJR晶振
- NKG晶振
- Sunny晶振
- 歐美晶振
- Abracon晶振
- ECS晶振
- Golledge晶振
- IDT晶振
- Jauch晶振
- Pletronics晶振
- Raltron晶振
- SiTime晶振
- Statek晶振
- Greenray晶振
- 康納溫菲爾德晶振
- Ecliptek晶振
- Rakon晶振
- Vectron晶振
- 微晶晶振
- AEK晶振
- AEL晶振
- Cardinal晶振
- Crystek晶振
- Euroquartz晶振
- FOX晶振
- Frequency晶振
- GEYER晶振
- KVG晶振
- ILSI晶振
- MMDCOMP晶振
- MtronPTI晶振
- QANTEK晶振
- QuartzCom晶振
- Quarztechnik晶振
- Suntsu晶振
- Transko晶振
- Wi2Wi晶振
- ACT晶振
- MTI晶振
- Lihom晶振
- Rubyquartz晶振
- Oscilent晶振
- SHINSUNG晶振
- ITTI晶振
- PDI晶振
- ARGO晶振
- IQD晶振
- Microchip晶振
- Silicon晶振
- Fortiming晶振
- CORE晶振
- NIPPON晶振
- NICKC晶振
- QVS晶振
- Bomar晶振
- Bliley晶振
- GED晶振
- FILTRONETICS晶振
- STD晶振
- Q-Tech晶振
- Anderson晶振
- Wenzel晶振
- NEL晶振
- EM晶振
- PETERMANN晶振
- FCD-Tech晶振
- HEC晶振
- FMI晶振
- Macrobizes晶振
- AXTAL晶振
- DEI晶振
帝國博客
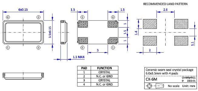
更多>>- 規格型號:8095440
- 頻率:7.5~150.0MHz
- 尺寸:6.0*3.5mm
- 產品描述:NJR晶振,S6M晶振,S6M-24.0000F-18E2-EXT晶振,貼片晶振本身體積小,超薄型石英晶體振蕩器,特別適用于有目前高速發展的高端電子數碼產品,因為晶振本身小型化需求的市場領域,小型,薄型是對應陶瓷振蕩器(偏差大)和普通的石...
NJR晶振,S6M晶振,S6M-24.0000F-18E2-EXT晶振
.jpg)
NJR晶振,S6M晶振,S6M-24.0000F-18E2-EXT晶振,貼片晶振本身體積小,超薄型石英晶體振蕩器,特別適用于有目前高速發展的高端電子數碼產品,因為晶振本身小型化需求的市場領域,小型,薄型是對應陶瓷振蕩器(偏差大)和普通的石英晶體振蕩器(偏差小)的中間領域的一種性價比較出色的產品.產品廣泛用于筆記本電腦,無線電話,衛星導航SSD,USB,Blu-ray等用途,符合無鉛焊接的高溫回流焊曲線特性.
NJR crystal在日本東京都中央區成立于1949年,專注于生產的日本NJR晶體,32.768K,溫補晶振等水晶元器件,滿足市場對NJR晶體的小型化,高的產品質量等需求,
NJR晶振有限公司將以高瞻遠矚的戰略和創新的高新技術,繼續為工業設備領域和工業領域的貢獻小型化抗噪晶振產品,通過工業機器應用晶振完成社會期望和客戶期望方面的重點
NJR Crystal擁有驗豐富的多語種銷售,應用支持和工程團隊可指導客戶從設計階段到全面生產,NJR晶振的產品由各地的航空航天,汽車,通信,計算,和醫療行業的領先位置,并不斷改進與創新,秉持超越自我的精神,為社會做出巨大的貢獻,同時也竭盡所能為社會創造更加的價值.
NJR晶振被稱為新日本無線, 新日本無線將保護環境、尊重生命為己任,在預防危害污染和環境保護方面做出了相當大的努力,并做出了保護地球、安全至上的承諾。作為企業活動還自主的做出環境方針,建立全員節約能源、污染預防及降低風險的持續改善工作,以達到企業永續經營發展目標.并且持續不斷改善環保方針,生產更多環保晶振,溫補晶振,石英晶體諧振器等優質的晶振產品.NJR晶振,S6M晶振,S6M-24.0000F-18E2-EXT晶振.
NJR晶振有限公司將以高瞻遠矚的戰略和創新的高新技術,繼續為工業設備領域和工業領域的貢獻小型化抗噪晶振產品,通過工業機器應用晶振完成社會期望和客戶期望方面的重點
NJR Crystal擁有驗豐富的多語種銷售,應用支持和工程團隊可指導客戶從設計階段到全面生產,NJR晶振的產品由各地的航空航天,汽車,通信,計算,和醫療行業的領先位置,并不斷改進與創新,秉持超越自我的精神,為社會做出巨大的貢獻,同時也竭盡所能為社會創造更加的價值.
NJR晶振被稱為新日本無線, 新日本無線將保護環境、尊重生命為己任,在預防危害污染和環境保護方面做出了相當大的努力,并做出了保護地球、安全至上的承諾。作為企業活動還自主的做出環境方針,建立全員節約能源、污染預防及降低風險的持續改善工作,以達到企業永續經營發展目標.并且持續不斷改善環保方針,生產更多環保晶振,溫補晶振,石英晶體諧振器等優質的晶振產品.NJR晶振,S6M晶振,S6M-24.0000F-18E2-EXT晶振.

| Parameter | Symbol | Specifications | Remarks |
| Frequency range | F N | 7.5 ~ 150.0MHz | Fundamental up to 54MHz |
| Cut and operation mode | — | AT-Cut / FUND or 3rd OT | 3rd overtone above 40MHz |
| Frequency tolerance | Δf/f | ±10ppm, ±20ppm, ±30ppm, ±50ppm | Other options available |
| Stability over operating temp. | TC | ±10ppm, ±25ppm, ±50ppm, ±100ppm |
Depending on operating temperature range, other options available |
| Operating temperature range | TOP |
–20°C ~+70°C or –40°C ~+85°C up to –40°C ~ +125°C |
Options available |
| Load capacitance | CL | 6 to 32pF or SERIES | Please specify load capacitance |
| Equivalent series resistance | ESR |
100Ω MAX 60Ω ~ 50Ω MAX 50Ω ~ 40Ω MAX 40Ω ~ 30Ω MAX 30Ω ~ 20Ω MAX 100Ω ~ 80Ω MAX |
FUND mode 7.5 ~ 8MHz FUND mode 8 ~ 10MHz FUND mode 10 ~ 14MHz FUND mode 14 ~ 20MHz FUND mode 20 ~ 54MHz 3rd OT mode 30 ~ 150MHz |
| Drive level | DL | 100µW TYP, 300µW MAX | — |
| Aging first year | Δf/y 1 | ±3ppm | @+25°C |
.jpg)
耐焊性:
將晶振加熱包裝材料至+150°C以上會破壞產品特性或損害產品.如需在+150°C以上焊接石英晶振,建議使用SMD晶振產品.在下列回流條件下,對石英晶振產品甚至SMD貼片晶振使用更高溫度,會破壞晶振特性.建議使用下列配置情況的回流條件.安裝這些貼片晶振之前,應檢查焊接溫度和時間.同時,在安裝條件更改的情況下,請再次進行檢查.如果需要焊接的晶振產品在下列配置條件下進行焊接,請聯系我們以獲取耐熱的相關信息.
粘合劑
請勿使用可能導致石英晶振所用的封裝材料,終端,組件,玻璃材料以及氣相沉積材料等受到腐蝕的膠粘劑.(比如,氯基膠粘劑可能腐蝕一個晶振的金屬“蓋”,從而破壞密封質量,降低性能.)
機械振動的影響
當晶振產品上存在任何給定沖擊或受到周期性機械振動時,比如:壓電揚聲器,壓電蜂鳴器,以及喇叭等,輸出頻率和幅度會受到影響.這種現象對通信器材通信質量有影響.盡管晶振產品設計可最小化這種機械振動的影響,我們推薦事先檢查并按照下列安裝指南進行操作.
熱影響
重復的溫度巨大變化可能會降低受損害的石英晶振產品特性,并導致塑料封裝里的線路擊穿.必須避免這種情況.
安裝方向
振蕩器的不正確安裝會導致故障以及崩潰,因此安裝時,請檢查安裝方向是否正確.
通電
不建議從中間電位和/或極快速通電,否則會導致無法產生振蕩和/或非正常工作.
負載電容
有源晶振振蕩電路中負載電容的不同,可能導致振蕩頻率與設計頻率之間產生偏差.試圖通過強力調整,可能只會導致不正常的振蕩.在使用之前,請指明該振動電路的負載電容(請參閱“負載電容”章節內容).NJR晶振,S6M晶振,S6M-24.0000F-18E2-EXT晶振.

深圳市帝國科技有限公司
SHENZHEN DIGUO TECHONLOGY CO.,LTD
手 機:86-13826527865
電 話:86-0755-27881119 QQ:921977998
E-mail:dgkjly@163.com
網 址:www.9x9kj.com
地 址:中國廣東省深圳市寶安區西鄉大道新湖路








業務經理