您好,歡迎光臨帝國科技!
產品分類
PRODUCT
PRODUCT
- 國產晶振
- 聲表面濾波器
- 石英晶體
- 石英晶振
- 貼片晶振
- 陶瓷晶振
- 陶瓷濾波器
- 陶瓷霧化片
- 進口晶振
- MERCURY晶振
- Fujicom晶振
- 日本大真空晶振
- 愛普生晶振
- 西鐵城晶振
- 精工晶振
- 村田陶瓷晶振
- 日本京瓷晶振
- 日本進口NDK晶體
- 大河晶振
- TXC晶振
- 亞陶晶振
- 臺灣泰藝晶體
- 臺灣鴻星晶體
- 美國CTS晶體
- 微孔霧化片
- 加高晶振
- 希華石英晶振
- AKER晶振
- NAKA晶振
- SMI晶振
- NJR晶振
- NKG晶振
- Sunny晶振
- 歐美晶振
- Abracon晶振
- ECS晶振
- Golledge晶振
- IDT晶振
- Jauch晶振
- Pletronics晶振
- Raltron晶振
- SiTime晶振
- Statek晶振
- Greenray晶振
- 康納溫菲爾德晶振
- Ecliptek晶振
- Rakon晶振
- Vectron晶振
- 微晶晶振
- AEK晶振
- AEL晶振
- Cardinal晶振
- Crystek晶振
- Euroquartz晶振
- FOX晶振
- Frequency晶振
- GEYER晶振
- KVG晶振
- ILSI晶振
- MMDCOMP晶振
- MtronPTI晶振
- QANTEK晶振
- QuartzCom晶振
- Quarztechnik晶振
- Suntsu晶振
- Transko晶振
- Wi2Wi晶振
- ACT晶振
- MTI晶振
- Lihom晶振
- Rubyquartz晶振
- Oscilent晶振
- SHINSUNG晶振
- ITTI晶振
- PDI晶振
- ARGO晶振
- IQD晶振
- Microchip晶振
- Silicon晶振
- Fortiming晶振
- CORE晶振
- NIPPON晶振
- NICKC晶振
- QVS晶振
- Bomar晶振
- Bliley晶振
- GED晶振
- FILTRONETICS晶振
- STD晶振
- Q-Tech晶振
- Anderson晶振
- Wenzel晶振
- NEL晶振
- EM晶振
- PETERMANN晶振
- FCD-Tech晶振
- HEC晶振
- FMI晶振
- Macrobizes晶振
- AXTAL晶振
- DEI晶振
帝國博客
更多>>- 規格型號:518591
- 頻率:32.768KHZ
- 尺寸:3.0*8.0mm
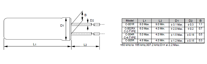
- 產品描述:圓柱插件晶振,C-001R音叉水晶振蕩子,EPSON石英晶振,貼片石英晶體諧振器,又簡稱為排帶包裝,這是這產品采用排帶盤式包裝,使產品在焊接時能采用SMT自動貼片機高速的焊接,大大節約人工,提高工作效率.32.768KHz千赫子時鐘晶...
圓柱插件晶振,C-001R音叉水晶振蕩子,EPSON石英晶振
.jpg)
圓柱插件晶振,C-001R音叉水晶振蕩子,EPSON石英晶振,貼片石英晶體諧振器,又簡稱為排帶包裝,這是這產品采用排帶盤式包裝,使產品在焊接時能采用SMT自動貼片機高速的焊接,大大節約人工,提高工作效率.32.768KHz千赫子時鐘晶體,其本身主要應用在時鐘控制產品,或者是控制模塊,主要給時鐘芯片提供一個基準信號,其主要各項功能還得看應用何種產品.

| 晶振參數 | 符號 | C-001R | |
| 標準頻率 | fo | 32.768KHZ | |
| 存儲溫度 | T_stg | -20℃ ~ + 70℃ | |
| 工作溫度 | T_use | -10℃ ~ + 60℃ | |
| 頻率穩定度 | F_tol | ±20.0×10-6 Max | |
| 激進電平 | DL | 1.0 uW Max | |
| 轉換溫度 | TI | ﹢25℃± 5℃ | |
| 拋物系數 | B | -0.04 ×10-6 /℃2 Max | |
| 耐沖擊性 | S.R | ±10 ×10-6 Max | |
| 負載電容 | CL | 6pF,12.5pF | |
| 串聯電阻(ESR) | R1 | 50 KΩ Max | |
| 頻率老化 | F_age | ± 3 ×10-6 /years Max | |



.jpg)
石英晶體共振子應用在并聯振蕩線路上, 振蕩頻率與負載電容CL有很大的關系. 這在前面的公式(3)就可以看到. (圖十一) 是以并聯振蕩線路上FL頻率對負載電容CL的變化曲線示意圖.
頻率的“牽引率”指的是負載電容CL1的頻率FL1到負載電容CL2的頻率FL2的頻率變化. 在(圖十一)中可以是FL1(CL=24pF)與FL2(CL=10pF)的頻率變化值. 在這個例子中的頻率牽引率是 220 ppm. 若我們將CL1與CL2的負載電容值趨近極小化(曲線作數學上的微分), 就會得到曲線的切線值. 這個切線值就是用某一個負載電容的敏感度( trim sensitivity ).
在(圖)中, CL=24 pF 時的頻率敏感度是10 ppm/pF, 及CL=10 pF時的頻率敏感度是20 ppm/pF. 在并聯線路中, 負載電容越小, 頻率對負載電容變化的敏感度越高. 相反的, 負載電容越大, 頻率對負載電容變化的敏感度越低. 這就是石英晶體共振子用于VCXO線路上時, 線路設計上會選用較小負載電容. 反之, 在要求較準確的頻率信號時, 線路設計上會選用較高的負載電容.

愛普生緊扣客戶需求,提供高品質,高信賴度的產品及優質服務.日本國內和海外各事業部率先取得IS0900認證.并且,還率先取得大型汽車制造企業所要求的ISO/TS 16949認證.
ISO/TS 16949是以QS-900為基準,根據汽車制造業所要求的標準更加嚴格的認證,此認證標準在世界各國是通用的
石英領域品質方針
我們將時刻意識到顧客所在,通過創造和實現顧客價值而提供讓顧客滿意和信賴的商品與服務.
并恒久開展業務改革,從而提高工作質量、實現“QCDS”之目標.
對于所面臨的課題,我們將基于五項主義追究其真因,本著原理原則旋轉“PDCA”的循環,科學而合理地給予解決.

深圳市帝國科技有限公司SHENZHEN DIGUO TECHONLOGY CO.,LTD
聯系人:譚蘭艾 手 機:86-13826527865
電 話:86-0755-27881119 QQ:921977998
E-mail:dgkjly@163.com
網 址:www.9x9kj.com
地 址:中國廣東省深圳市寶安區西鄉大道新湖路






業務經理