您好,歡迎光臨帝國科技!
產品分類
PRODUCT
PRODUCT
- 國產晶振
- 聲表面濾波器
- 石英晶體
- 石英晶振
- 貼片晶振
- 陶瓷晶振
- 陶瓷濾波器
- 陶瓷霧化片
- 進口晶振
- MERCURY晶振
- Fujicom晶振
- 日本大真空晶振
- 愛普生晶振
- 西鐵城晶振
- 精工晶振
- 村田陶瓷晶振
- 日本京瓷晶振
- 日本進口NDK晶體
- 大河晶振
- TXC晶振
- 亞陶晶振
- 臺灣泰藝晶體
- 臺灣鴻星晶體
- 美國CTS晶體
- 微孔霧化片
- 加高晶振
- 希華石英晶振
- AKER晶振
- NAKA晶振
- SMI晶振
- NJR晶振
- NKG晶振
- Sunny晶振
- 歐美晶振
- Abracon晶振
- ECS晶振
- Golledge晶振
- IDT晶振
- Jauch晶振
- Pletronics晶振
- Raltron晶振
- SiTime晶振
- Statek晶振
- Greenray晶振
- 康納溫菲爾德晶振
- Ecliptek晶振
- Rakon晶振
- Vectron晶振
- 微晶晶振
- AEK晶振
- AEL晶振
- Cardinal晶振
- Crystek晶振
- Euroquartz晶振
- FOX晶振
- Frequency晶振
- GEYER晶振
- KVG晶振
- ILSI晶振
- MMDCOMP晶振
- MtronPTI晶振
- QANTEK晶振
- QuartzCom晶振
- Quarztechnik晶振
- Suntsu晶振
- Transko晶振
- Wi2Wi晶振
- ACT晶振
- MTI晶振
- Lihom晶振
- Rubyquartz晶振
- Oscilent晶振
- SHINSUNG晶振
- ITTI晶振
- PDI晶振
- ARGO晶振
- IQD晶振
- Microchip晶振
- Silicon晶振
- Fortiming晶振
- CORE晶振
- NIPPON晶振
- NICKC晶振
- QVS晶振
- Bomar晶振
- Bliley晶振
- GED晶振
- FILTRONETICS晶振
- STD晶振
- Q-Tech晶振
- Anderson晶振
- Wenzel晶振
- NEL晶振
- EM晶振
- PETERMANN晶振
- FCD-Tech晶振
- HEC晶振
- FMI晶振
- Macrobizes晶振
- AXTAL晶振
- DEI晶振
帝國博客
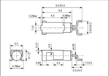
更多>>- 規格型號:30040704
- 頻率:32.768KHZ
- 尺寸:8.6*2.7*2.4mm
- 產品描述:貼片音叉晶體、"CMJ206T32768DZBT"千赫頻率元件、應用于時鐘模塊、智能手機、全球定位系統、各種小巧的便攜式消費電子數碼時間產品、環保性能符合ROHS/無鉛標準。
CMJ206T西鐵城晶振,時鐘模塊晶振,日本晶振代理商,CMJ206T32768DZBT
.jpg)
CMJ206T西鐵城晶振,時鐘模塊晶振,日本晶振代理商,32.768K系列產品本身具有體積小,"CMJ206T32768DZBT",厚度薄,重量輕等特點,此音叉型石英晶體諧振器,晶振產品本身具備優良的耐熱性,耐環境特性,在辦公自動化,家電領域,移動通信領域可發揮優良的電氣特性,符合無鉛標準,滿足無鉛焊接的回流溫度曲線要求,金屬外殼的石英晶振使得產品在封裝時能發揮比陶瓷晶振外殼更好的耐沖擊性能.

| 西鐵城晶振參數 | 符號 | CMJ206T規格 |
| 公稱頻率 | f_nom | 32.768KHZ |
| 頻率容許偏差 | f_tol | ±20ppm |
| 頂點溫度 | Ti | 25±5ºC |
| 保存溫度范圍 | T_stg | −40ºC to+85ºC |
| 工作溫度范圍 | T_use | −20ºC to+70ºC |
| 負載容量 | CL | 12.5pF Max |
| 串聯電阻 | R1 | 50kΩ max |
| 絕對最大激勵等級 | DL最大值 | 1μW Max |
| 并聯電容 | C 0 | 1.35pF typ |
| 頻率老化程度 | f_age | ±5 x 10-6 |



.jpg)
"CMJ206T32768DZBT",我們將遵守各種法律法規以及公司內部規章,本著企業行為憲章的規定開展行動.西鐵城在“為市民所喜愛,為市民做貢獻”的企業理念基礎上,
1.為顧客提供充分考慮到安全、高質量、環保的產品和服務.
2.在商務上,實施公正、透明、自由的競爭,與政治、行政部門保持健全的關系.
3.廣泛開展同社會的交流,積極且公正地披露企業信息,妥善實施信息管理.
4.認清環境問題是人類共同面臨的課題,亦是企業的存在與活動中必須對待的經營課題,從而主動、積極地加以解決.
5.作為一名誠信的企業市民,要重視同社區共生存,致力于社會貢獻活動.
6.尊重各國·各地域的文化及風俗習慣,努力為所在國當地的地區發展做貢獻.
7.集團內各家公司的高層領導要認清以實現本憲章為己責,以身作則,將憲章徹底落實到全公司,將憲章內容告知到關聯企業和供貨商.同時,隨時聽取公司內外的意見,建立行之有效的企業內部體系,徹底奉行企業的倫理道德.
公司和員工要付諸不懈的努力去遵守執行本企業行為憲章.若萬一出現違反本憲章的行為時,公司要親自主動加以解決并防范問題重復發生.同時,要恰當地向社會予以匯報.在明確權限和責任后予以嚴正的處置.

1.驅動能力
驅動能力說明振蕩晶體單元所需電功率,其計算公式如下:
驅動能力 (P) = i2·Re
其中i表示經過晶體單元的電流,
Re表示晶體單元的有效電阻,而且 Re=R1(1+Co/CL)2.

2.振蕩補償

深圳市帝國科技有限公司SHENZHEN DIGUO TECHONLOGY CO.,LTD
聯系人:譚蘭艾 手 機:86-13826527865
電 話:86-0755-27881119 QQ:921977998
E-mail:dgkjly@163.com
網 址:www.9x9kj.com
地 址:中國廣東省深圳市寶安區西鄉大道新湖路





.jpg)


業務經理