您好,歡迎光臨帝國科技!
產品分類
PRODUCT
PRODUCT
- 國產晶振
- 聲表面濾波器
- 石英晶體
- 石英晶振
- 貼片晶振
- 陶瓷晶振
- 陶瓷濾波器
- 陶瓷霧化片
- 進口晶振
- MERCURY晶振
- Fujicom晶振
- 日本大真空晶振
- 愛普生晶振
- 西鐵城晶振
- 精工晶振
- 村田陶瓷晶振
- 日本京瓷晶振
- 日本進口NDK晶體
- 大河晶振
- TXC晶振
- 亞陶晶振
- 臺灣泰藝晶體
- 臺灣鴻星晶體
- 美國CTS晶體
- 微孔霧化片
- 加高晶振
- 希華石英晶振
- AKER晶振
- NAKA晶振
- SMI晶振
- NJR晶振
- NKG晶振
- Sunny晶振
- 歐美晶振
- Abracon晶振
- ECS晶振
- Golledge晶振
- IDT晶振
- Jauch晶振
- Pletronics晶振
- Raltron晶振
- SiTime晶振
- Statek晶振
- Greenray晶振
- 康納溫菲爾德晶振
- Ecliptek晶振
- Rakon晶振
- Vectron晶振
- 微晶晶振
- AEK晶振
- AEL晶振
- Cardinal晶振
- Crystek晶振
- Euroquartz晶振
- FOX晶振
- Frequency晶振
- GEYER晶振
- KVG晶振
- ILSI晶振
- MMDCOMP晶振
- MtronPTI晶振
- QANTEK晶振
- QuartzCom晶振
- Quarztechnik晶振
- Suntsu晶振
- Transko晶振
- Wi2Wi晶振
- ACT晶振
- MTI晶振
- Lihom晶振
- Rubyquartz晶振
- Oscilent晶振
- SHINSUNG晶振
- ITTI晶振
- PDI晶振
- ARGO晶振
- IQD晶振
- Microchip晶振
- Silicon晶振
- Fortiming晶振
- CORE晶振
- NIPPON晶振
- NICKC晶振
- QVS晶振
- Bomar晶振
- Bliley晶振
- GED晶振
- FILTRONETICS晶振
- STD晶振
- Q-Tech晶振
- Anderson晶振
- Wenzel晶振
- NEL晶振
- EM晶振
- PETERMANN晶振
- FCD-Tech晶振
- HEC晶振
- FMI晶振
- Macrobizes晶振
- AXTAL晶振
- DEI晶振
帝國博客
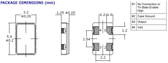
更多>>- 規格型號:12284363
- 頻率:0.450~100.00MHZ
- 尺寸:5.0*3.2mm
- 產品描述:Oscilent晶振,434晶振,434-12.0M-3EN-TTS晶振,5032mm體積的石英晶體振蕩器,有源晶振,該產品可驅動2.5V的溫補晶振,壓控晶振,VC-TCXO晶體振蕩器產品,電源電壓的低電耗型,編帶包裝方式,可對應自動高速貼片機自動焊接,及I...
Oscilent晶振,434晶振,434-12.0M-3EN-TTS晶振
.jpg)
Oscilent晶振,434晶振,434-12.0M-3EN-TTS晶振,5032mm體積的石英晶體振蕩器,有源晶振,該產品可驅動2.5V的溫補晶振,壓控晶振,VC-TCXO晶體振蕩器產品,電源電壓的低電耗型,編帶包裝方式,可對應自動高速貼片機自動焊接,及IR回流焊接(無鉛對應),為無鉛產品,超小型,質地輕.產品被廣泛應用到集成電路,程控交換系統,無線發射基站.投資擴展到生產的各個方面,包括射頻濾波器和其他SAW濾波器工程能力。容量的增加以及其他開發工程師的招聘將進一步增強Oscilent對標準和定制RF濾波器和IF濾波器產品的快速周轉樣品的能力。額外的研發能力將降低定制產品的開發成本,并允許我們的客戶群更快地完成技術支持咨詢。
Oscilent晶振是頻率控制產品的世界級制造商,包括創新和技術先進的移動通信設備,包括雙工器,RF濾波器和IF SAW濾波器產品。這種專業知識擴展到多媒體(DAB / DMB,CATV,DTV),無線電通信(WLAN,WLL,ISM頻段,GPS)以及衛星和彈藥通信。
Oscilent Crystal是全球頻率控制設備制造商,專注生產提供濾波器,石英晶體振蕩器,陶瓷諧振器和Oscilent Crystal產品類別中提供廣泛的優質產品.Oscilent晶振,434晶振,434-12.0M-3EN-TTS晶振.
| PARAMETERS | CONDITIONS | CHARACTERISTICS | UNITS | |
| Output Logic | - | HCMOS / TTL Output | - | |
| Input Voltage (Vdd) | - | 3.3 ±10% | 5.0 ±10% | VDC |
| Frequency Range (f O ) | - | 0.450 ~ 100.00 | MHz | |
| Operating Temperature (T OPR ) | - | 0 ~ +70 Std. (Ext Temp Avail. See Table Below) | °C | |
| Storage Temperature (T STG ) | - | -55 ~ +125 | °C | |
| Frequency Stability | a + b + c + d | ±25, ±50, ±100 max. | PPM | |
| (a) Frequency Tolerance | Inclusive of Overall Stability | - | ||
| (b) Temperature Stability | Inclusive of Overall Stability (Operating Temperature) | - | ||
| (c) Input Voltage Stability | Inclusive of Overall Stability (Vdd ±5%) | - | ||
| (d) Load Stability | Inclusive of Overall Stability (RL ±5%) | - | ||
| Current Consumption | - | 10 ~ 45 (35) max. | 15 ~ 85 (50) max. | mA |
| Aging | @ 25°C | ±5 max. | PPM/Y | |
| Rise Time (T R ) / Fall Time (T F ) | < 23.999 MHz | 10 max. | nS | |
| 24.00 ~ 70.00 MHz | 6 max. | |||
| 70.001 ~ 100.00 MHz | 4 max. | |||
| PIN 1 Tri-State Input Voltage (Option) | - | Vh (Pin 1) No Connection : Enables Output | - | |
| - | Vh (Vih) > 2.2 Vdc : Enables Output | |||
| - | Vl (Vil) < 0.8 Vdc : Disables Output (High Impedance | |||
| Output Voltage High "1" VOH | TTL Load | 2.4 min. | VDC | |
| HCMOS Load | Vdd * 0.9 min. | |||
| Output Voltage Low "0" VOL | TTL Load | 0.4 max. | VDC | |
| HCMOS Load | Vdd * 0.1 min. | |||
| Duty Cycle | - | 50 ±10 (Std.) / 50 ±5 (Option) | % | |
| Start-Up Time (T S ) | - | 10 max. | mS | |
| Jitter | 12Khz ~ 20Mhz | RMS: ±1 max. | ps | |
正常溫度和濕度:
溫度:+15°C 至 +35°C,濕度 25 % RH 至 85 % RH(請參閱“測試點JIS C 60068-1 / IEC 60068-1的標準條件”章節內容)。
(2) 請仔細處理內外盒與卷帶。外部壓力會導致卷帶受到損壞。
安裝時注意事項
耐焊性
加熱包裝材料至+150°C以上會破壞產品特性或損害產品。如需在+150°C以上焊接晶體產品,建議使用SMD產品。在下列回流條件下,對晶體產品甚至SMD產品使用更高溫度,會破壞產品特性。建議使用下列配置情況的回流條件。安裝這些產品之前,應檢查焊接溫度和時間。同時,在安裝條件更改的情況下,請再次進行檢查。如果需要焊接的石英晶體產品在下列配置條件下進行焊接,請聯系我們以獲取耐熱的相關信息。
(1)柱面式產品和DIP產品
型號 焊接條件
[ 柱面式 音叉晶振]
C-類型,C-2-類型,C-4-類型 +280°C或低于@最大值5 s
請勿加熱封裝材料超過+150°C
[ 柱面式 ]
CA-301
[ DIP ]
SG-51 / 531, SG-8002DB DC,
RTC-72421 / 7301DG +260°C或低于@最大值 10 s
請勿加熱封裝材料超過+150°C
(2)SMD晶振產品回流焊接條件(實例)
用于JEDEC J-STD-020D.01回流條件的耐熱可用性需個別判斷。請聯系我們以便獲取相關信息。
盡可能使溫度變化曲線保持平滑。Oscilent晶振,434晶振,434-12.0M-3EN-TTS晶振.
深圳市帝國科技有限公司
SHENZHEN DIGUO TECHONLOGY CO.,LTD
手 機:86-13826527865
電 話:86-0755-27881119 QQ:921977998
E-mail:dgkjly@163.com
網 址:www.9x9kj.com
地 址:中國廣東省深圳市寶安區西鄉大道新湖路




.jpg)








業務經理