PRODUCT
- 國產晶振
- 聲表面濾波器
- 石英晶體
- 石英晶振
- 貼片晶振
- 陶瓷晶振
- 陶瓷濾波器
- 陶瓷霧化片
- 進口晶振
- MERCURY晶振
- Fujicom晶振
- 日本大真空晶振
- 愛普生晶振
- 西鐵城晶振
- 精工晶振
- 村田陶瓷晶振
- 日本京瓷晶振
- 日本進口NDK晶體
- 大河晶振
- TXC晶振
- 亞陶晶振
- 臺灣泰藝晶體
- 臺灣鴻星晶體
- 美國CTS晶體
- 微孔霧化片
- 加高晶振
- 希華石英晶振
- AKER晶振
- NAKA晶振
- SMI晶振
- NJR晶振
- NKG晶振
- Sunny晶振
- 歐美晶振
- Abracon晶振
- ECS晶振
- Golledge晶振
- IDT晶振
- Jauch晶振
- Pletronics晶振
- Raltron晶振
- SiTime晶振
- Statek晶振
- Greenray晶振
- 康納溫菲爾德晶振
- Ecliptek晶振
- Rakon晶振
- Vectron晶振
- 微晶晶振
- AEK晶振
- AEL晶振
- Cardinal晶振
- Crystek晶振
- Euroquartz晶振
- FOX晶振
- Frequency晶振
- GEYER晶振
- KVG晶振
- ILSI晶振
- MMDCOMP晶振
- MtronPTI晶振
- QANTEK晶振
- QuartzCom晶振
- Quarztechnik晶振
- Suntsu晶振
- Transko晶振
- Wi2Wi晶振
- ACT晶振
- MTI晶振
- Lihom晶振
- Rubyquartz晶振
- Oscilent晶振
- SHINSUNG晶振
- ITTI晶振
- PDI晶振
- ARGO晶振
- IQD晶振
- Microchip晶振
- Silicon晶振
- Fortiming晶振
- CORE晶振
- NIPPON晶振
- NICKC晶振
- QVS晶振
- Bomar晶振
- Bliley晶振
- GED晶振
- FILTRONETICS晶振
- STD晶振
- Q-Tech晶振
- Anderson晶振
- Wenzel晶振
- NEL晶振
- EM晶振
- PETERMANN晶振
- FCD-Tech晶振
- HEC晶振
- FMI晶振
- Macrobizes晶振
- AXTAL晶振
- DEI晶振
帝國博客
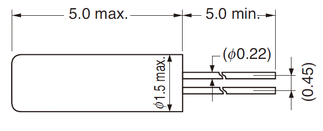
更多>>- 規格型號:48788306
- 頻率:32.768KHZ
- 尺寸:1.5*5.0mm
- 產品描述:我公司所生產的音叉石英晶振具有電阻小,高低溫穩定性能變化不大,在惡劣環境中均能保持正常工作,精度性能優越等特點,主要采用了高精度晶片的拋光技術:是目前晶片研磨技術中表面處理技術的最高技術,最終使晶片表面...
精工晶振,石英晶振,VT-150-F晶振,移動手機晶振
.jpg)
精工晶振,石英晶振,VT-308晶振,32.768K插件晶振,精工SEIKO已被列入全球晶振行業十強企業名單中。2012年精工SEIKO集團在國內投資1530萬美元建設生產基地。更大的彌補了國內市場對高端晶體的需求。
水晶振動子
水晶振動子/MHz帯水晶振動子 ;
音叉型水晶振動子/kHz帯水晶振動子;32.768KHZ晶振;
基本波抑制オーバトーン水晶振動子/MHz帯水晶振動子;
水晶振動子/MHz帯水晶振動子〈カーエレクトロニクス用〉;
音叉型水晶振動子/kHz帯水晶振動子〈カーエレクトロニクス用
日本精工晶振株式會社精工晶振自創業以來始終秉承著“永遠領先時代一步”的經營姿態,不斷推進著革新。我們牢記著這一自創業以來繼承至今的理念和“把握顧客感性”這一嶄新的理念,精工晶振制定了“讓時代與心靈悅動SEIKO晶振”的企業口號。依靠引領時代的技術實力和感性,今后一如既往地將創造未來的事業并推進下去,我們傳遞著精工晶振這樣的熱誠意志和躍動感。

| 晶振參數 | 符號 | VT-150-F晶振 | |
| 標準頻率 | fo | 32.768KHZ | |
| 存儲溫度 | T_stg | -30℃ ~ + 70℃ | |
| 工作溫度 | T_use | -10℃ ~ + 60℃ | |
| 頻率穩定度 | F_tol | ±20.0×10-6 Max | |
| 激進電平 | DL | 1.0 uW Max | |
| 轉換溫度 | TI | ﹢25℃± 5℃ | |
| 拋物系數 | B | -0.035 ×10-6 /℃2 Max | |
| 耐沖擊性 | S.R | ±5 ×10-6 Max | |
| 負載電容 | CL | 4.5-12.5pF | |
| 串聯電阻(ESR) | R1 | 50 KΩ Max | |
| 頻率老化 | F_age | ± 5 ×10-6 /years Max | |



晶振使用說明
支架:一個箱體,內裝一塊薄薄的石英晶體或帶有真空蒸發金屬電極的晶體條和用于連接的端子。
頻率:每秒輸出波形的周期數。頻率單位是每秒周期數,或赫茲,縮寫為Hz。
基本模式:晶體的主要模式。
Overtone模式:根據指定的振蕩模式分配給奇數的頻率。標準的第三種泛音模式,其次是第五,第七,第九等。超越第九種泛音是不切實際的。這些頻率并不完全是基頻的三倍,五倍,七倍或九倍。
頻率容差:室溫下與標稱頻率的允許偏差。頻率容差以百分比表示,典型值為±0.005%或百萬分率(ppm),±50ppm。
等效串聯電阻:晶體在工作諧振電路中表現出的阻抗值。
驅動電平:電路中晶體的功耗量。驅動電平以毫瓦或微瓦表示。過高的驅動電平會導致長期的頻率漂移或晶體破裂。
老化:相對頻率在一段時間內發生變化。這種頻率變化率通常是指數性的。通常情況下,老化在頭30天內計算,并計算長期(一年或十年)。最高的老化率在手術的第一周內發生,之后緩慢下降。
頻率穩定度:與指定溫度范圍內(即0至+ 70°C)25°C時的測量頻率相比,最大允許頻率偏差。
并聯電容:并聯電容(CO)是晶體端子之間的電容。它隨封裝而變化,通常它在SMD中較小(典型值為4pF),在含鉛晶體中為6pF。
雜散:通常在工作模式之上的不需要的共振,以dB最大值指定。或ESR的次數。頻率范圍必須指定。例如,在F0±200kHz的頻率窗口中,雜散響應應至少為6dB或2.5×R。
振動模式:石英晶體的振動模式隨晶體切割而變化,例如AT切割和BT切割的厚度剪切,或音叉晶體的彎曲模式(+ 5oX)切割,或CT,DT切割的面切模式。最流行的切割是AT切割,它可以在寬廣的溫度變化范圍內提供對稱的頻移。
工作溫度范圍:晶體單元在特定條件下工作的溫度范圍。
負載電容:負載電容(CL)是振蕩器對兩個晶體端子的總電容量。當晶體在并聯模式下使用時,需要指定負載電容。.jpg)

2.遵守日本國內和世界各國的環境相關法規、條例以及業界的工作事項,致力于預防環境污染。
3.在從石英晶體諧振器,石英晶振,32.768K,時鐘晶體,壓電石英晶體的制造到銷售的全生命周期中,力圖通過綠色采購、關愛環境的制造方法、化學物質的管理、商品、包裝材料、運輸方法等有效利用資源和降低溫室化氣體、廢棄物排放。以此為保全生物多樣性做貢獻。
4.與公司員工共享環境問題的動向和公司的環境方針,促進對環境活動的理解和參加。
5.向公司外宣傳有關環境問題的方針和活動力圖加深與社會的溝通。
日本精工株式會社精工晶振通過引進環境會計、公布CO2排放量等措施推進環境的可視化,在商品的開發、制造、銷售、服務等各種過程中,致力于減少溫室效應氣體。
提供從材料的選定到廢棄過程中考慮環境質量的產品。加強制度建設,深化環境監管,向環境污染宣戰,促進經濟與環境協調發展。
積極參與公司內部活動和地區環境改善活動,為社會做出貢獻,實現公司的社會責任。實施公司內部環境培訓和訓練,推進防污染和環保活動。遵守國內外法律,遵守與客戶和地區的約定事項,與日常業務相融合,努力開展繼續改善環境的工作。

深圳市帝國科技有限公司
SHENZHEN DIGUO TECHONLOGY CO.,LTD
聯系人:譚蘭艾 手 機:86-13826527865
電 話:86-0755-27881119 QQ:921977998
E-mail:dgkjly@163.com
網 址:www.9x9kj.com
地 址:中國廣東省深圳市寶安區西鄉大道新湖路










業務經理